韩国GENORAY全景机PAPAYA口腔X光机CCD传感器探测仪维修
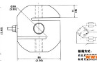
韩国GENORAY全景机PAPAYA型,Detector XID-C24DC 口腔X光机 传感器 CCD维修公司服务的范围涉及口腔医疗X射线设备的全套电路板。包括主板、电源板、数据传输电路板、扫描机构电机驱动板、球管驱动板、X射线传感器等。
标签: 2019-10-10图尔克TURCK压力传感器PC001V-201-2UPN8X-H1141型特点:无显示器的圆柱形版本2 个 PNP/NPN 开关输出通过 IO-Link 进行通信通过 M12 连接器上的 LED 显示开关状态与通信状态压力范围-1&hell
标签: 2019-10-10
韩国GENORAY全景机PAPAYA型,Detector XID-C24DC 口腔X光机 传感器 CCD维修公司服务的范围涉及口腔医疗X射线设备的全套电路板。包括主板、电源板、数据传输电路板、扫描机构电机驱动板、球管驱动板、X射线传感器等。
标签: 2019-10-10
德国ifm易福门传感器型号分析:易福门的座右铭是朝着既定的目标不断地发展,易福门追求的不是技术可行性的发展,而是符合客户利益的理性发展。易福门在此基础上用易福门的技术制定符合技术及经济利益的方案。易福门电子在德国和美国的公司从事研发和生产。
标签: 2019-10-10BALLUFF巴鲁夫BES02WH耐高压型电感式传感器主要参数介绍主要参数一览尺寸 直径12 x 60 mm规格 M12x1安装方式 在一定程度上齐平作用范围 6mm开关量输出 PNP常开触点 (NO)开关频率
标签: 2019-10-10德国HBM传感器静态特性传感器的静态特性是指对静态的输入信号,传感器的输出量与输入量之间所具有相互关系。因为这时输入量和输出量都和时间无关,所以它们之间的关系,即传感器的静态特性可用一个不含时间变量的代数方程,或以输入量作横坐标,把与其对应
标签: 2019-10-10德国倍加福P+F传感器特点是德国数一数二的机械产品,它旗下的光电开关已经被广泛运用于各大领域。光电开关也就是我们通常说的传感器。国家标准GB7665-87对传感器下的定义是:“能感受规定的被测量件并按照一定的规律转换成可用信号的
标签: 2019-10-10倾角感应器倾角感应器在军事、航天航空、工业自动化、工程机械、铁路机车、消费电子、海洋船舶等领域得到广泛运用。辉格公司为国内用户提供产品方案和服务。提供超过500种规格的伺服型、电解质型、电容型、电感型、光纤型等原理的倾角感应器。1加速度感应
标签: 2019-10-10德国HYDAC贺德克传感器可以用在那些行业上?德国HYDAC传感器专业生产用于流体过滤技术、液压控制技术、电子测量技术的元件和装置,是世界着名的传感器、压力开关、压力继电器、过滤器、蓄能器、液压阀、电子产品、管夹、电磁铁、液压系统总成等产品
标签: 2019-10-10IFM具显示屏耐用的流量传感器优势特点:1.针对水、油和空气优化2.同时测量流量和温度3.根据过程值红色/绿色变化4.管内直径可调,25...400mm5.管路连接可进行旋转,方便进行方便的排列IFM产品 面板安装长度 EL 材料(潮湿部件
标签: 2019-10-10易福门ifm光电传感器在这种检测模式中,当被测物出现时,它把一定数量的光反射回传感器而不象对射式检测模式中是把光挡住。易福门ifm光电传感器光电的接近检测模式又分为以下几种检测方式:直反式、宽光束式、聚焦式、定区域式和可调区域式。易福门if
标签: 2019-10-10柴油发电机安装温度传感器的作用在柴油发电机中,冷却液温度传感器位于右前侧的圆柱体,它的功能是控制风扇转动,调整开始的燃料供应,控制喷油定时和发动机保护。一般的柴油发电机运行范围在-40到140℃。如果温度传感器失灵会导致较低的发动机转速和功
标签: 2019-10-10IFM压力传感器,PN2223停产款少量现货德国IFM易福门带显示屏的压力传感器PN-025-RBN14-MFRKG/US/ /VPN2223替代: PN2293 – 产品比较: PN2223 / PN2293该产品已停产停产日
标签: 2019-10-10
IFM易福门气缸传感器 - 适用于焊接应用1.T 槽齐平,无突出结构2.配有带安全涂层的连接器3.PTFE 保护管,防止焊接飞溅物造成损害4.可轻松“从顶部卡入”槽5.长度极短,适用不同气缸剖面IFM易福门C型槽气缸
标签: 2019-10-10曹妃甸1吨反应釜称重模块(栾城高压反应釜称重模块)北京称重传感器维修延庆反应釜称重模块(赞皇C602控制仪表电子秤(赵县全自动气体灌装秤(晋州充装供应气体专用灌装秤(高邑C8控制仪表地磅(深泽C602控制仪表钢瓶秤)行唐带双色报警灯称(新乐
标签: 2019-10-10传感器整合拓应用领域 机器人再增十八般武艺:对于下一代机器人的发展而言,控制和通讯IC扮演重要的角色。 然而,许多全新、小型和低成本感测技术的出现及融合,才是这些现代及复杂机器人的心脏。要实现下一代机器人,有数种关键传感器技术发挥极重要的作
标签: 2019-10-10
测力传感器采用不锈钢或合金钢材料,胶封,拉、压双向承载 防护等级IP66适用于工业控制、配料系统、吊钩秤及各类称重测力设备外形尺寸:量程(t)0.51.02.0-2.53.04.05.06.07.5W32(1.26)32(1.26)32(1
标签: 2019-10-10德国Festo费斯托这个品牌,接触过仪表电器的朋友们,一定通说过,我们先了解一下品牌。德国FESTO费斯托是世界气动行业家通过ISO 9001认证的企业。FESTO的品牌质量包含许多方面,主要表现在智能化和易操作的产品设计、使用寿命长的产品
标签: 2019-10-101、问:传感器测量的是何种压力?答 您首先要考虑的是您的系统的zui大压力。 答:一般您需要的压力传感器压力范围zui大值应该达到您系统zui大压力值的1.5倍。我们建议的这些额外的压力范围是由于许多的系统,特别是水压和过程控制,有压力尖
标签: 2019-10-10您知道di-soric吗?它是一家专业从事传感器研发制造的集团公司,公司在工业自动化领域已有30年的成功营运经验。di-soric一直以不断创新的精神经营发展,时至今日,产品系列已涵盖传感器、LED工业光源、工业视觉系统及条码识别系统。现已
标签: 2019-10-10倍加福P+F传感器GLV18-55/115/120型技术参数 GLV18-55/115/120产品阐述带偏振滤波片的反射板传感器,M18 螺纹外壳设计,塑料外壳,前光学端面,4 m 检测范围,红光,亮时/暗时接通,直流型,2 路 PNP 输
标签: 2019-10-10