光照培养箱操作规程
光照培养箱的维护和培养: 1、培养箱外壳应可靠接地。 2、培养箱要放置在阴凉、干燥、通风良好、远离热源和日晒的地方。放置平稳,以防震动发生噪音。 3、为保证冷凝器有效地散热,冷凝器与墙壁之间距离应大于100mm。箱体侧面应有50mm间
标签: 2019-10-051、控制箱总电源打开后真空泵电源开110/220电源开中间开关开5分钟后打开真空隔离阀确认无异常后开光源,稳定后开MC20电源真空度打50以下可打开高压。 2、检查设备是否正常,光源、高压、MC20真空指示等是否正常; 3、每次试验前清
标签: 2019-10-05 
光照培养箱的维护和培养: 1、培养箱外壳应可靠接地。 2、培养箱要放置在阴凉、干燥、通风良好、远离热源和日晒的地方。放置平稳,以防震动发生噪音。 3、为保证冷凝器有效地散热,冷凝器与墙壁之间距离应大于100mm。箱体侧面应有50mm间
标签: 2019-10-05 
我们知道,岩棉切条机的保温形式可以分为内墙保温和外墙保温两种,但不管是使用哪种形式对房间进行保温隔热,都要注意,在保温隔热施工时要保证表面的干燥五污物,对于易生锈的外墙,要在施工前采取外墙的防腐措施,并且注意金属以及其他外包装的接头密封,为
标签: 2019-10-05 
全自动工业分析仪主要用于测定煤等有机物中的水分、灰分和挥发分的含量,其主要特点是整个测试过程由计算机控制自动完成,分析时间短,测试精度高。 并且该仪器通过采用先进采集和传输数据控制系统,高可靠性真彩智能7寸液晶显示终端,微型热敏打印机,全中
标签: 2019-10-05水泥比表面积仪广泛应用于水泥、陶瓷、磨料、金属、火药等非多孔性粉状物料的比表面积。 水泥比表面积测定仪的操作规程: 一、仪器气密性的检查 将锥形橡胶塞锥形下部涂抹凡士林,边旋转边压入仪器玻璃压力计的锥形口部分,然后按下仪器操作面板上“
标签: 2019-10-04雷氏沸煮箱是测定水泥标准稠度用水量、凝结时间、安定性的专用设备,是水泥厂建筑施工单位,有关大专院校和科研单位专用设备之一。 雷氏沸煮箱操作规程: 1、根据用户要求试饼法和雷氏法同时使用,以对比水泥安定试验结果,特将篦板高度降低,为此请用
标签: 2019-10-041、工作前必须穿好工作服,扎好袖口,不准围围巾,严禁戴手套,女工发辫应挽在帽子内。 2、要检查设备上的防护、保险、信号装置。机械传动部分、电气部分要有可靠的防护装置。工、卡具是否完好,否则不准开动。
标签: 2019-09-30zui近有新闻报道在机床车间生产中有因为操作不当造成人生安全伤害的,在机械性质的岗位工作,特别要注意操作安全,荆州市机床销售公司主要产品有“荷花牌”普通车床;不同型号和价格的数控车床,铸造熔炼设备及军工产品等110多
标签: 2019-09-301.工作物要用压板、螺钉或专用工具夹紧。使用一股的扳手不准加套管,以免滑脱伤人。 2.刀具一定要夹牢,否则不准开车工作。 3.工作前,要检查机床传动部分的运转情况,并将机床的挡板装好,才能运转。 4.铣切各种工件,特别是粗铣时,开始应
标签: 2019-09-30适用机型:1、单臂刨床:B1010(7134),B110,B1010A(7110),B1012A,B1016A,B1016,2、龙门刨床:B210,B2010(7231A)B2010A,B2151,B2152,B2016A(7216),B2
标签: 2019-09-30摇臂钻安全操作规程: 1. 使用摇臂钻,严禁戴手套。 2. 钻孔前,找正工件位置时,应将锁紧装置松开,进刀主轴伸出长度根据钻孔深度调整合适,然后将各锁紧装置锁紧。 3. 钻孔时,钻头必须装夹牢固,伸出长度合适。工件必须用钳子、夹具或
标签: 2019-09-30立车车工安全操作规程 1.必须遵守机床工一般安全规程。 2.装卸工件,工具时要和行车司机。挂钩工密切配合。 3.工件、刀具要紧固好。所用的千斤顶、斜面垫板,垫块等应固定好,并经常检查以防松动。 4.工件在未夹紧前,只能点
标签: 2019-09-30一、操作者必须严格遵守维护设备的四项要求、五项纪律,严禁超负荷使用设备。 二、开车前,必须按照巡回检查点仔细进行检查,并按润滑图进行润滑。 三、停车八小时以上再开动设备时,应先低速转动三~五分钟,确认润滑系统畅通,各部运转正常,再开始工作。
标签: 2019-09-301穿戴好工作服、工作帽。 2使用前检查电气的程序指令、润滑、冷却部分及虎钳是否正常,再空载运行几分钟。 3锯割的材料装夹要紧固,特别是多件装夹要检查是否全部紧固。 4锯割的材料如果弯曲较大,则不应多件装夹,应单件进行装夹牢
标签: 2019-09-301、落地车床开机前,首先检查油路和转动部件是否灵活正常,开机时要穿紧身工作服,袖口扣紧,长发要带防护帽,禁止戴手套,切削工件和磨刀时必须戴眼镜。 2、开机时要观察设备是否正常,车刀要夹牢固,吃刀深度不能超过设备本身的负荷,刀头伸出部份不要超
标签: 2019-09-30为了维护设备完好和安全使用,保证压力机操作安全制定安全操作规程及保养制度。 一、目的: 为了维护设备完好和安全使用,保证压力机操作安全。 二、适用范围: 本规程适用于所有型号规格的压力机。 三、安全操作规程:
标签: 2019-09-30JIC35导读:滕州力达机床有限公司是专业生产摇臂钻铣床的知名企业,产品采用ISO9002国际标准雄厚的经济实力,先进的技术设备,完善的检测手段,务实的工作作风,以及的全程管理,构筑了企业产品的优良品质,现应客户强烈要求总结铣床操作规程如下
标签: 2019-09-30数控机床安全操作规程1、手动回参时,各轴位置要距离原点100mm以上。2、查刀具半径补偿、长度补偿数字是否正确。3、工具或其他物品不许放在操作键盘边。4、试运行程序时一定要一只手按开始按钮,一只手按停止按钮。5、手动换刀时应注意刀具不要撞到
标签: 2019-09-30 
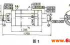
安全操作铣端面打中心孔机床时需要避免工件中心孔对加工精度影响装置。 图1所示为某产品中的关键零件,其加工工序要经过粗车、半精车、精车、粗磨、半精磨、精磨再加钻孔、镗孔等。为消除切削加工产生的应力所引起的精度不稳定的现象,工艺流程规定,在每
标签: 2019-09-30(1)工作前按规定穿戴好防护用品,扎好袖口,不准围围巾,女工应戴好工作帽。高速切削或切削铸铁、铝、铜工件时,必须戴防护眼镜。接触旋转关键及旋转部位时,不得带手套作业,在夹装工件过程中允许带手套作业。 (2)操作者应熟悉所操作机床的工作
标签: 2019-09-30