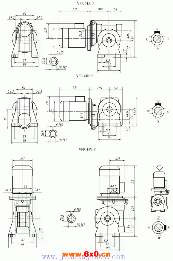
VFR44..P系列蜗轮蜗杆减速机外形及安装尺寸

型号 | pn kw | n min-1 | Mn Nm | n % | cosφ | ln A (400V) | ls ln | Ms Mn | Ma Mn | Jm (.10-4) kgm2 | kg | LB | AC | AD |
BN44B4 BN44C4 | 0.06 0.09 | 1380 1380 | 0.42 0.63 | 40 46 | 0.58 0.65 | 0.38 0.43 | 2.4 2.8 | 2.3 2.3 | 1.9 2 | 1.22 1.49 | 4.7 4.6 | 168 168 | 112 112 | 94 94 |

型号 | pn kw | n min-1 | Mn Nm | n % | cosφ | ln A (400V) | ls ln | Ms Mn | Ma Mn | Jm (.10-4) kgm2 | kg | LB | AC | AD |
BN44B4 BN44C4 | 0.06 0.09 | 1380 1380 | 0.42 0.63 | 40 46 | 0.58 0.65 | 0.38 0.43 | 2.4 2.8 | 2.3 2.3 | 1.9 2 | 1.22 1.49 | 4.7 4.6 | 168 168 | 112 112 | 94 94 |






QQ交流群

