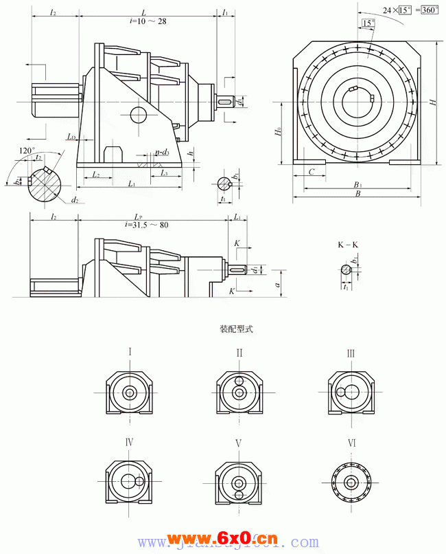
PBF型减速器主要尺寸

PBF56型~PBF125型减速器主要尺寸                          /mm
型号  | 外形尺寸及中心高  | 入轴尺寸  | ||||||||||||||||
i=10~20  | i=22.5~28  | i=31.5~50  | ||||||||||||||||
L  | LP  | B  | H  | H0  | a  | d1  | t1  | b1  | l1  | d1  | t1  | b1  | l1  | d1  | t1  | b1  | l1  | |
PBF56  | 1050  | 1074  | 1020  | 950  | 480  | 180  | 125  | 132  | 32  | 200  | 95  | 100  | 25  | 155  | 85  | 90  | 22  | 155  | 
PBF80  | 1500  | 1500  | 1400  | 1310  | 660  | 250  | 170  | 179  | 40  | 270  | 125  | 132  | 32  | 200  | 120  | 127  | 32  | 200  | 
PBF100  | 1810  | 1795  | 1750  | 1615  | 815  | 320  | 210  | 221  | 50  | 335  | 160  | 169  | 40  | 260  | 150  | 158  | 36  | 250  | 
PBF125  | 2265  | 2265  | 2170  | 2015  | 1015  | 400  | 270  | 280  | 63  | 435  | 200  | 210  | 45  | 320  | 180  | 190  | 45  | 300  | 
型号  | 入轴尺寸  | 出轴尺寸  | 地脚尺寸  | 质量 m /kg  | ||||||||||||||
i=63~80  | ||||||||||||||||||
d1  | t1  | b1  | l1  | d2  | t2  | b2  | l2  | LD  | L1  | L2  | L3  | B1  | h  | C  | n  | d3  | ||
PBF56  | 60  | 64  | 18  | 100  | 200  | 20  | 60  | 340  | 60  | 690  | 230  | 170  | 880  | 50  | 300  | 6  | 39  | 2318  | 
PBF80  | 78  | 83  | 22  | 125  | 270  | 27  | 81  | 430  | 70  | 915  | 320  | 205  | 1200  | 65  | 410  | 6  | 45  | 5819  | 
PBF100  | 100  | 106  | 28  | 160  | 320  | 32  | 96  | 510  | 85  | 1110  | 400  | 225  | 1520  | 70  | 500  | 6  | 52  | 10031  | 
PBF125  | 125  | 132  | 32  | 200  | 400  | 40  | 120  | 690  | 100  | 1370  | 500  | 270  | 1900  | 80  | 550  | 6  | 70  | 19385  | 



                                            
                                            
                                            
                                            


QQ交流群

