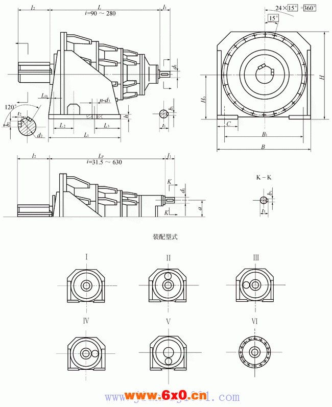
PCF63型减速器主要尺寸

PCF63型减速器主要尺寸                    /mm
型号  | 外形尺寸及中心高  | 入轴尺寸  | ||||||||||||||||
i=90~200  | i=225~280  | i=315~630  | ||||||||||||||||
L  | LP  | B  | H  | H0  | a  | d1  | t1  | b1  | l1  | d1  | t1  | b1  | l1  | d1  | t1  | b1  | l1  | |
PCF63  | 1153  | 1130  | 1100  | 1070  | 520  | 100  | 55  | 59  | 16  | 88  | 40  | 43  | 12  | 88  | 35  | 38  | 10  | 55  | 
型号  | 出轴尺寸  | 地脚尺寸  | 质量 m/kg  | |||||||||||
d2  | t2  | b2  | l2  | LD  | L1  | L2  | L3  | B1  | h  | C  | n  | d3  | ||
PCF63  | 200  | 20  | 60  | 340  | 60  | 795  | 240  | 255  | 940  | 60  | 320  | 6  | 39  | 2864  | 



                                            
                                            
                                            
                                            


QQ交流群

