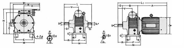
D002A~D075A(4M)卧式标准型

TYPE | A | B | C | D | E | F | G | H | I | J | L | L1 | M | N | O | O1 | P | P1 | Q | Q1 | R | S (h6) | S1 (h6) | U | U1 | V | W | W1 | X | Z |
D002A(4M) | 225 | 100 | 71 | 144 | 110 | 105 | 12 | 190 | 150 | 25 | 204 | 355 | 140 | 125 | M6 | M6 | 5 | 5 | 30 | 30 | 48 | 14 | 14 | 5 | 5 | 100 | 195 | 210 | 125 | 9 |
D004A(4M) | 248 | 123 | 90 | 162 | 120 | 105 | 15 | 220 | 180 | 32 | 230 | 402 | 160 | 135 | M6 | M6 | 5 | 5 | 30 | 30 | 60 | 14 | 14 | 5 | 5 | 110 | 240 | 290 | 150 | 10 |
D007A(4M) | 242 | 140 | 106 | 177 | 160 | 125 | 15 | 260 | 210 | 38 | 270 | 425 | 195 | 160 | M6 | M6 | 6 | 6 | 40 | 40 | 73 | 20 | 20 | 6 | 6 | 130 | 270 | 310 | 170 | 12 |
D015A(4M) | 323 | 175 | 125 | 200 | 180 | 140 | 18 | 315 | 250 | 48 | 335 | 560 | 235 | 175 | M6 | M6 | 8 | 8 | 50 | 50 | 95 | 25 | 24 | 7 | 7 | 160 | 313 | 345 | 190 | 12 |
D022A(4M) | 315 | 208 | 150 | 219 | 245 | 230 | 20 | 380 | 298 | 53 | 400 | 585 | 295 | 270 | M8 | M8 | 8 | 8 | 60 | 60 | 85 | 30 | 28 | 7 | 7 | 190 | 370 | 390 | 220 | 14 |
D037A(4M) | 371 | 208 | 150 | 238 | 245 | 230 | 20 | 380 | 298 | 53 | 400 | 641 | 295 | 270 | M8 | M8 | 8 | 8 | 60 | 60 | 85 | 30 | 28 | 7 | 7 | 190 | 370 | 390 | 220 | 14 |
D055A(4M) | 374 | 249 | 200 | 273 | 315 | 250 | 30 | 475 | 390 | 70 | 470 | 695 | 365 | 290 | M10 | M10 | 10 | 10 | 70 | 70 | 103 | 35 | 32 | 8 | 8 | 211 | 430 | 465 | 250 | 18 |
D075A(4M) | 412 | 249 | 200 | 273 | 315 | 250 | 30 | 475 | 390 | 70 | 470 | 733 | 365 | 290 | M10 | M10 | 10 | 10 | 70 | 70 | 103 | 35 | 32 | 8 | 8 | 211 | 430 | 465 | 250 | 18 |






QQ交流群

