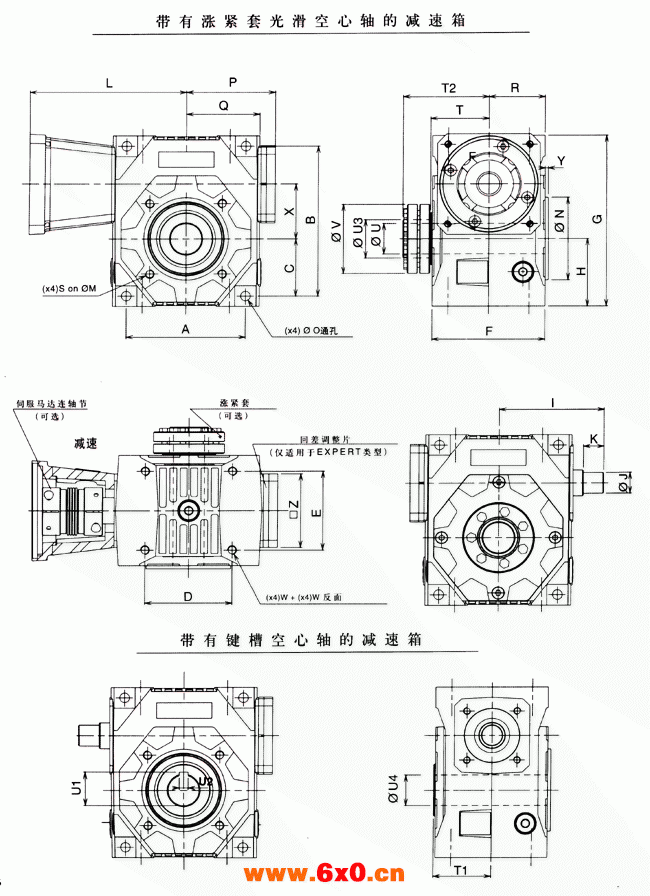
DYNABOX正交精密行星齿轮减速机空心轴型外形及安装尺寸

DYNABOX | 35 | 45 | 55 | 65 | 75 | 90 | 100 |
A | 86 | 108 | 120 | 134 | 172 | 186 | 220 |
B | 110 | 135 | 155 | 173 | 208 | 234 | 276 |
C | 44.5 | 53 | 61 | 66 | 82 | 91 | 108 |
D | 62 | 81 | 90 | 98 | 136 | 141 | 175 |
E | 56 | 68 | 78 | 91 | 110 | 130 | 140 |
F | 86 | 100 | 112 | 127 | 148 | 170 | 182 |
G | 126 | 153 | 175 | 197 | 232 | 264 | 306 |
H | 52.5 | 62 | 71 | 78 | 94 | 106 | 123 |
I Maxi | 80 | 97 | 107 | 120 | 145 | 159 | 182 |
I mini | 73.5 | 89.5 | 99 | 110 | 134 | 147 | 170 |
J(h6) | 12 | 15 | 18 | 20 | 24 | 28 | 32 |
K | 17 | 20 | 22 | 24 | 28 | 28 | 36 |
M | 65 | 85 | 100 | 115 | 130 | 165 | 200 |
N(j7) | 50 | 70 | 80 | 95 | 110 | 130 | 165 |
O | 7 | 9 | 9 | 11 | 11 | 13 | 13 |
P(Maxi) | 70 | 83.5 | 91 | 101 | 124 | 136.5 | 152 |
Q | 55 | 67.5 | 75 | 84 | 104 | 114.5 | 132 |
R | 43 | 50 | 56 | 63.5 | 74 | 85 | 91 |
S | M6 | M8 | M8 | M10 | M10 | M12 | M12(×8) |
T | 45 | 52 | 58 | 65.5 | 76 | 87 | 93 |
T1 | 45 | 52 | 58 | 65.5 | 76 | 87 | 93 |
T2 | 69 | 78 | 87 | 96.5 | 110 | 124 | 133 |
U(H7h6) | 20 | 25 | 30 | 35 | 40 | 50 | 60 |
U4(H7) | 16 | 25 | 30 | 35 | 50 | 50 | 60 |
U1 | 18.3 | 28.3 | 33.3 | 38.3 | 43.3 | 53.8 | 64.4 |
U2 | 5 | 8 | 8 | 10 | 12 | 14 | 18 |
U3 | 24 | 30 | 36 | 44 | 50 | 68 | 80 |
V | 50 | 60 | 72 | 80 | 90 | 115 | 138 |
W | M6 | M8 | M8 | M10 | M10 | M12 | M12 |
X | 35 | 45 | 55 | 63 | 75 | 90 | 110 |
Y | 3 | 3 | 35 | 3.5 | 4 | 4 | 5 |
Z | 58 | 75 | 75 | 85 | 95 | 115 | 115 |
重量(kg) | 3.4 | 6.2 | 8.5 | 13.9 | 20.5 | 32.5 | 46.5 |
安装位置







QQ交流群

