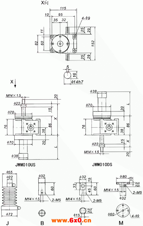
JWM010丝杠升降机外形尺寸


JWM010
行程(mm) | US | |||||
X | X⑴ | L | m(kg) | |||
MIN | MAX | MIN | MAX | |||
100 | 101 | 201 | 161 | 261 | 194 | 5.5 |
200 | 101 | 301 | 161 | 361 | 294 | 5.7 |
300 | 101 | 401 | 201 | 501 | 434 | 6.1 |
400 | 101 | 501 | 201 | 601 | 534 | 6.3 |
500 | 101 | 601 | 236 | 736 | 669 | 6.6 |
600 | 101 | 701 | 236 | 836 | 769 | 6.9 |
800 | 101 | 901 | 271 | 1071 | 1004 | 7.5 |
1000 | 101 | 1101 | 301 | 1301 | 1234 | 8.0 |
行程(mm) | DS | |||||
X | X⑴ | L | m(kg) | |||
MIN | MAX | MIN | MAX | |||
100 | 25 | 125 | 75 | 175 | 194 | 5.5 |
200 | 25 | 225 | 75 | 275 | 294 | 5.7 |
300 | 25 | 325 | 115 | 415 | 434 | 6.1 |
400 | 25 | 425 | 115 | 515 | 534 | 6.3 |
500 | 25 | 525 | 150 | 650 | 669 | 6.6 |
600 | 25 | 625 | 150 | 750 | 769 | 6.9 |
800 | 25 | 825 | 185 | 985 | 1004 | 7.5 |
1000 | 25 | 1025 | 215 | 1215 | 1234 | 8.0 |
行程(mm) | UR | |||
X | Y | m(kg) | ||
MIN | MAX | |||
100 | 108 | 208 | 246 | 5.9 |
200 | 108 | 308 | 346 | 6.1 |
300 | 108 | 408 | 446 | 6.2 |
400 | 108 | 508 | 546 | 6.4 |
500 | 108 | 608 | 646 | 6.6 |
600 | 108 | 708 | 746 | 6.8 |
800 | 108 | 908 | 946 | 7.2 |
1000 | 108 | 1108 | 1146 | 7.6 |
行程(mm) | DR | |||
X | Y | m(kg) | ||
MIN | MAX | |||
100 | 50 | 150 | 160 | 5.9 |
200 | 50 | 250 | 260 | 6.1 |
300 | 50 | 350 | 360 | 6.2 |
400 | 50 | 450 | 460 | 6.4 |
500 | 50 | 550 | 560 | 6.6 |
600 | 50 | 650 | 660 | 6.8 |
800 | 50 | 850 | 860 | 7.2 |
1000 | 50 | 1050 | 1060 | 7.6 |






QQ交流群

