捷斯曼GESSMANN多轴控制器VA6系列技术资料及特点
东莞艾科工业自动化公司是德国GESSMANN捷斯曼公司在国内指定授权经销商之一,我公司在德国美国有自己的办事处,欧美品牌厂家直销,自己报关进口,一手货源,让您采购到正宗的原厂产品,价格没有中间差价,让您用的放心,购得的舒心,没有后顾之忧,我公司是一家专门从事欧美国家配件销售、技术咨询、技术服务、自动化设备服务为一体的贸易公司。德国捷斯曼GESSMANN的主要产品有:手柄控制器, GESSMANN双握把手柄控制器GESSMANN单轴手柄控制器, GESSMANN开关控制器, GESSMANN脚踏控制器,GESSMANN多轴手柄控制器,GESSMANN起重机控制单元等系列产品,采购德国捷斯曼手柄,就找东莞市艾科工业自动化公司的任静,我将谒诚为您服务
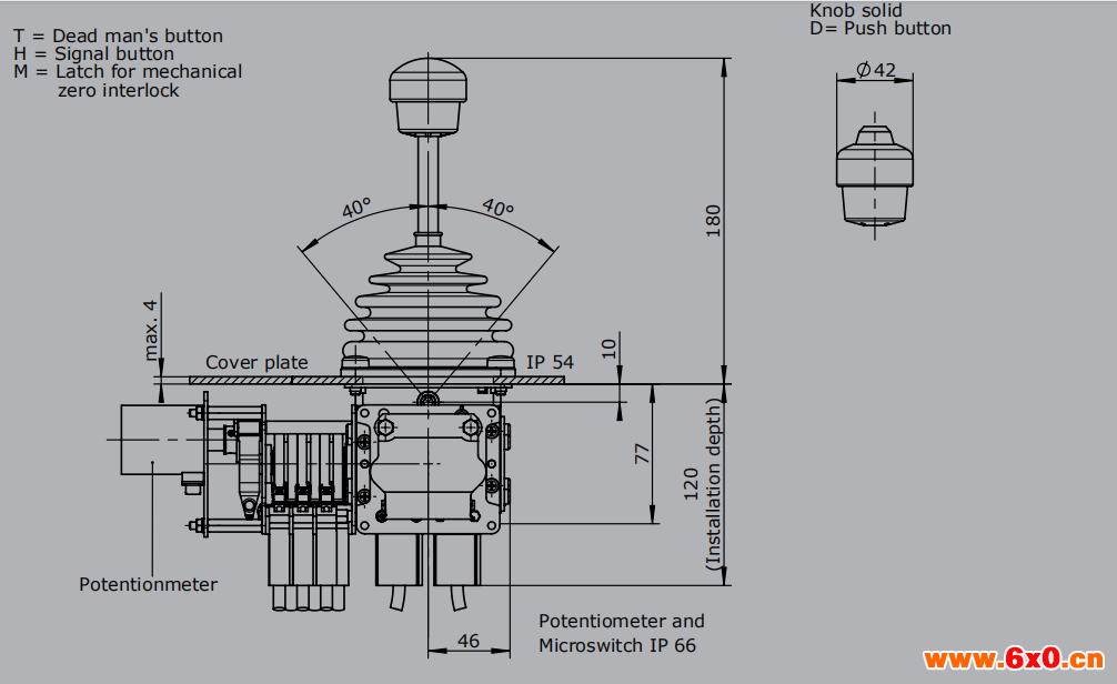
捷斯曼GESSMANN多轴控制器VA6可提供单轴或多轴选项,是一种坚固的防爆控制器,常用于起重机和起重应用。
模块化设计使开关设备能够普遍使用。
VA6可以应用于油,水,以及潮湿,紫外线等气候条件的工况.


捷斯曼GESSMANN多轴控制器技术参数
机械寿命VA6 1000万次 (往复运动)
操作温度 -40°C to +60°C
存储温度 -50°C to +80°C
防护等级 IP54 front
IP66 (微动开关和电位计)
防爆标识 Ex II 2G IIC T5 or T6
Ex II 2D T85° or T95°C
设备组 II
设备类别 2D and 2G
证书 OBAC 17 ATEX 0126X
捷斯曼GESSMANN多轴控制器特点
轴2:方向3-4左/方向7-8右(不适用于V/VV61、V/VV61.1、V/VV64.1)
(标准触点镀金2A 250 V AC15)
01 2触点标准触点-排列见第135页
02 4触点Z.B.
03 6个A980 MS00
04 8触点A05 MS21
05 10触点A0500 MS21-00
06 12触点A110 MS24-0
A=银触点(4A 250 V AC15)A99触点-根据客户要求排列
Z弹簧回位
R摩擦制动器
(p)安装电位计和编码器的可能性(Gessmann型)
P电位计P131 T396 2 x 0.5千欧L最大1毫安
p132 t396 2 x 1千欧,最大1毫安
p133 t396 2 x 2千欧,最大1毫安
p134 t396 2 x 5千欧,最大1毫安
p135 t396 2 x 10千欧,最大1毫安
如有需要,可提供更多电位器!






QQ交流群

