TEA100EW09B2NLWJ派克节流阀PARKER截止阀技术资料
PARKER截止阀 派克节流阀 PARKER电磁阀 PARKER马达 PARKER直线电机 PARKER办事处 PARKER厂家直销
美国派克 Parker 派克原装阀 比例节流阀 进口阀门
产品简介:
-带截止功能的蓄能器排油阀;
-先导阀,是二位四通D1DW电磁方向阀;
-电子控制模块PCD00A-400;
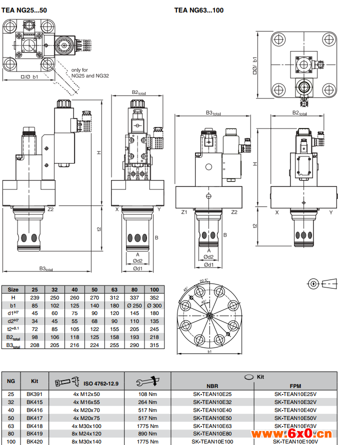
-公称规格NG50;
-公称流量2300L/min ;
-响应时间45ms ;
-重量22公斤;
-电磁铁公称电阻2.2欧姆,电压6V,公称电流2.6A ;
-二通插装阀设计,安装界面符合ISO 7368:1989 ;
-防护等级IP54,按DIN 40050的规定(在插上插头和安装完成的情况下);
-环境温度-20至80℃ 。
典型应用:注射成形机、压铸机和各种类型的压机。


要做一个心狠的人,这不代表你不善良,而是关键时刻懂得决断!你总是顾及别人,总是操心别人的感受,这样的你,什么事都干不成。该帮忙时帮忙,该冷脸时冷脸,这样才能保证你善良而不被欺。
TEA 系列带截止功能的电液比例节流阀单元
派克的 TEA 系列带截止功能的电液比例节流二通插装阀单元综合了大流量和快速响应的性能, 并由此能提供较高的效能。该系列蓄能器放油阀适宜用于, 要求在很短的工作周期 (数毫秒的范围) 内从液压蓄能器内排放出很大流量的液压系统。
典型的应用为注塑成型机和压铸机, 还有液压压机。该系列阀的蓄能器排放功能基本上类似于 TDA 系列电液比例节流阀, 但其额外还在先导回路中附加集成了一个电磁方向阀, 以符合相关的安全法规。
蓄能器排放阀系列TEAzui好用于高流速的液压系统短时间内从液压蓄能器排出操作周期(毫秒范围内)。典型应用是注塑机和压铸机以及液压机。基本上是蓄能器排放阀的功能对应于TDA节流阀的功能。此外先导回路中集成了一个方向阀。符合相关安全规定。方向阀提供安全功能。什么时候?电磁阀断电,弹簧处于末端位置,来自X的先导压力将控制活塞压入下端位置和主提升阀关闭。作为一个结果从B到A或从水库系统流出到机器被阻塞
市场:
工业
成型机械
特点/优势:
插件安装孔及安装界面符合 ISO 7368 - 利于快速、方便地集成
最高工作压力达 350 bar - 适用于高要求的液压应用系统
额定流量至 9500 l/min - 能符合高效运行
多档规格, NG25 - NG100 - 允许大跨度变化使用
大部分规格供货周期短 - 无需库存
应用:
通用压机
注塑成型机
压铸机
安全功能:
附加集成的电磁方向阀提供安全功能, 当其电磁铁失电时, 其阀芯处于弹簧偏置的位置, 从 X 口来的先导压力将控制活塞推压至下端位置, 主阀芯关闭, 结果从 B 到 A 或从回油系统到机器的液流被关闭。
性能特点
安装形式 二通插件 操作形式 先导 驱动 压力控制阀 系列类型 未定 重量(公斤) 85
流量达 9,500 l/min 的 TEA 系列快速响应电液比例节流阀单元设计用于注塑成型机及压铸机应用工况, 其先导回路内集成的方向阀提供了安全功能。
适用于要求在短时间(毫秒级)内从液压蓄能器大流量排油的液压回路。
TE0130AS100AAAA 现货特惠
TE0130MW260AAAB 现货特惠
TEA040EW09B2NXWJ 现货特惠
TEA040EW09B2NXWJ 现货特惠
TEA063EW09B2NLWJ 现货特惠
TEA080EW09B2NLWJ 现货特惠
TG0240AS021AAAA 现货特惠
TG0625HV460AAAB 现货特惠
TEA080EW09B2NLWJ、TEA100EW09B2NLWJ、TEA025EW09B2NXWJ
TEA080EW09B2NXWJ21
TEA080EW09B2NLWJ21
TEA080EW09B2NLWJ21
TEA063EW09B2NLWJ21
TEA063EW09B2NLWJ21
TEA050EW09B2NXWJ23
TEA050EW09A2NLWJ23
TEA050EW09B2NLWJ23
TEA050EW09B2NXWJ23
TEA040EW09A2NLWJ23
TEA040EW09B2NXWJ23
TEA025EW09B2NXWJ22
TEA032EW09B2NXWJ23
TEA100EW09A2NLWJ25
TEA100EW09B2NXWJ25
TEA100EW09B2NLWJ25
TEA100EW09B2NLWJ25
TEANB497E70LAF
TEA063EW09B2NXWJ21X793
TEA063EW09B2NLWJX824
TEA080EW09B2NLWJ21X824
TEA080EW09B2NLWJ21X683
TEA100EW09B2NLWJ21X683
TEA063EW09B2NXWJ
TEA080EW09B2NLWJ21
TEA080EW09B2NLWJ21
TEA080EW09B2NXWJ21
TEA080EW09A2NXWJ21
TEA080EW09A2NLWJ21
TEA050EW09B2NXWJ
TEA100EW09A2NLWJ22
TEA063EW09B2NLWJ
TEA063EW09B2VLWJ
TEA063EW09A2NLWJ
TEA100EW09B2NLWJ21
TEA100EW09A2NLWJ21
TEA100EW09B2NXWJ21
TEA100EW09A2NXWJ21
TEA050EW09B2NLWJ
TEA050EW09A2NLWJ
TEA050EW09B2NLWU
TEA050EW09B2VXWJ
TEA050EW09A2NXWJ
TEA050EW09B2VLWJ
TEA050EW09B2NXWJXG01
REXROTH R900409951 ZDB 10 VB2-4X/100V 海历克
PARKER PV140R1K1T1NMM1 4 2019-5-16 海历克
PARKER PV180R1K1T1NMMC 0 2019-5-16 海历克
PARKER PV180R1K1T1NMMC 25 2019-5-16 海历克
Parker PV140R1K1T1NMR1 10 2019-5-16 海历克
PARKER PV180R1K1T1NMMC 14 2019-5-16 海历克
PARKER PV180R1K1T1NMMC 25 2019-5-16 海历克
PARKER PV180R1K1T1NMFC 12 2019-5-16 海历克
PARKER D31FCE01CC4NB70 50 2019-5-16 海历克
PARKER PV140R1K1T1N001 20 2019-5-16 海历克
PARKER PV180R1K1T1NMMC 10 2019-5-16 海历克
PARKER PV180R1K1T1NMFC 15 2019-5-16
PARKER TEA100EW09B2NLWJ 2 2019-5-16
贺德克 Hydac ZBE08 0 2019-5-17
Hydac 贺德克 ETS1701-100-000
MCMASTER-CARR 7079K16
X-ACTO X218
FAIRCHILD 10292
DYNA VAVLE M-326-12566-250
SENTECH 875EPL1-1500
MAGTROL EB-250M-2
MAGTROL EB-450M-2
BIMBA FO-312.5-3Fcmt
kalamazoo K7B 110VAC
MARTEK MARK21
PIMATIC P2520R-50/20-160






QQ交流群

