YVP系列调速异步变频电机是靠改变供电频率达到电机调速的目的,它依据的原理(公式):n=60f/p
式中:n—每分钟转速 p—极对数 f—频率(我国电网标准为50Hz)
由上述公式看出,当电机极数(p)时,频率改变,变频电机每分钟转速(n)将随之改变,通过变频器改变供电频率,以达到调速目的。
变频电机必须与变频器配合使用。目前国际上普遍采用变频调速,因为变频调速有以下优点:
1、效率高、节能显著;
2、调速平滑能在5~100Hz范围内无级调速;
3、低频起动时力矩对负载冲击小;
4、起动电流小,不用附加起动设备;
5、体积小、重量轻、安装尺寸和Y系列相同;
6、在风罩内装有轴流风机,在各种转速下,均有良好的冷却效果;
7、应用范围广,在50Hz以下可作恒转矩运行,在50Hz以上可作恒功率运行;
8、较电磁调速电机节能降耗,调速范围广,结构简单,使用可靠,维修方便。
二、YVP系列变频电机使用条件
1、环境温度不超过-15℃~+40℃ 5、工作制:连续S1
2、海拔不超过1000m 6、绝缘等级:F级
3、电机防护等级IP44 7、额定频率50Hz
4、额定电压380(220)V±10%
三、YVP系列变频电机调速系统的特性
变频调速范围(标准系列):5~50Hz恒转矩调速;50~100Hz恒功率调速。在矢量控制条件下,调速范围还可扩大。
1、额定转据TH=9550 PH/Ns N.M式中:PH-额定功率(KW)
2、系统运行时应选择比较合理的V-F特性。
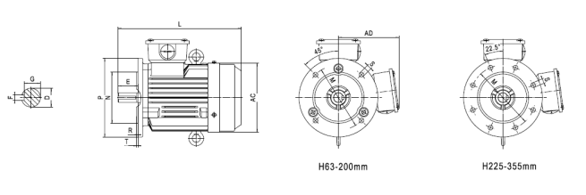
外形及安装尺寸 Dimensions mm
B14 (机座无底脚、端盖上有小凸缘)

机座号 frame | 极数 poles | 安装尺寸 Mounting Dimension | 外形尺寸 Overall Dimension | |||||||||||||
D | E | F | G | M | N | P | R | S | T | 凸缘孔数 | AC | AD | HF | L | ||
63M | 2.4 | 11 | 23 | 4 | 8.5 | 75 | 60 | 90 | 0 | M5 | 2.5 | 4 | 130 | 70 | 130 | 230 |
71M | 2.4.6 | 14 | 30 | 5 | 11 | 85 | 70 | 105 | 0 | M6 | 2.5 | 4 | 145 | 80 | 145 | 255 |
80M | 2.4.6.8 | 19 | 40 | 6 | 15.5 | 100 | 80 | 120 | 0 | M6 | 3 | 4 | 175 | 145 | 185 | 295 |
90S | 2.4.6.8 | 24 | 50 | 8 | 20 | 115 | 95 | 140 | 0 | M8 | 3 | 4 | 195 | 155 | 195 | 320 |
90L | 2.4.6.8 | 24 | 50 | 8 | 20 | 115 | 95 | 140 | 0 | M8 | 3 | 4 | 195 | 155 | 195 | 345 |
100L | 2.4.6.8 | 28 | 60 | 8 | 24 | 130 | 110 | 160 | 0 | M8 | 3.5 | 4 | 215 | 180 | 245 | 385 |
112M | 2.4.6.8 | 28 | 60 | 8 | 24 | 130 | 110 | 160 | 0 | M8 | 3.5 | 4 | 240 | 190 | 265 | 400 |
B34 (机座带底脚、端盖上有小凸缘)
机座号 Frame | 极数 poles | 安装尺寸 Mounting Dimension | 外形尺寸 Overall Dimension | ||||||||||||||||||||||
A | B | C | D | E | F | G | H | K | M | N | P | R | S | T | 凸缘孔数 | AA | AB | AC | AD | BB | HA | HD | L | ||
63M | 2.4 | 110 | 80 | 40 | 11 | 23 | 4 | 8.5 | 63 | 7 | 75 | 60 | 90 | 0 | M5 | 2.5 | 4 | 30 | 135 | 130 | 70 | 110 | 8 | 180 | 230 |
71M | 2.4.6 | 112 | 90 | 45 | 14 | 30 | 5 | 11 | 71 | 7 | 85 | 70 | 105 | 0 | M6 | 2.5 | 4 | 32 | 150 | 145 | 80 | 120 | 8 | 195 | 255 |
80M | 2.4.6.8 | 125 | 100 | 50 | 19 | 40 | 6 | 15.5 | 80 | 10 | 100 | 80 | 120 | 0 | M6 | 3 | 4 | 32 | 165 | 175 | 145 | 130 | 10 | 214 | 295 |
90S | 2.4.6.8 | 140 | 100 | 56 | 24 | 50 | 8 | 20 | 90 | 10 | 115 | 95 | 140 | 0 | M8 | 3 | 4 | 34 | 180 | 195 | 155 | 140 | 12 | 250 | 320 |
90L | 2.4.6.8 | 140 | 125 | 56 | 24 | 50 | 8 | 20 | 90 | 10 | 115 | 95 | 140 | 0 | M8 | 3 | 4 | 34 | 180 | 195 | 155 | 165 | 12 | 250 | 345 |
100L | 2.4.6.8 | 160 | 140 | 63 | 28 | 60 | 8 | 24 | 100 | 12 | 130 | 110 | 160 | 0 | M8 | 3.5 | 4 | 39 | 205 | 215 | 180 | 186 | 14 | 270 | 385 |
112M | 2.4.6.8 | 190 | 140 | 70 | 28 | 60 | 8 | 24 | 112 | 12 | 130 | 110 | 160 | 0 | M8 | 3.5 | 4 | 45 | 230 | 240 | 190 | 180 | 13 | 300 | 400 |
外形及安装尺寸 Dimensions mm
B3(机座带底脚、端盖无凸缘)
外形及安装尺寸 Dimensions mm
B5(机座不带底脚、端盖有凸缘)
机座号 frame | 极数 poles | 安装尺寸 Mounting Dimension | 外形尺寸 Overall Dimension | |||||||||||||
D | E | F | G | M | N | P | R | S | T | 凸缘孔数 | AC | AD | HF | L | ||
63M | 2.4 | 11 | 23 | 4 | 8.5 | 115 | 95 | 140 | 0 | 10 | 3 | 4 | 130 | 70 | 130 | 230 |
71M | 2.4.6 | 14 | 30 | 5 | 11 | 130 | 110 | 160 | 0 | 10 | 3.5 | 4 | 145 | 80 | 145 | 255 |
80M | 2.4.6.8 | 19 | 40 | 6 | 15.5 | 165 | 130 | 200 | 0 | 12 | 3.5 | 4 | 175 | 145 | 185 | 295 |
90S | 2.4.6.8 | 24 | 50 | 8 | 20 | 165 | 130 | 200 | 0 | 12 | 3.5 | 4 | 195 | 155 | 195 | 320 |
90L | 2.4.6.8 | 24 | 50 | 8 | 20 | 165 | 130 | 200 | 0 | 12 | 3.5 | 4 | 195 | 155 | 195 | 345 |
100L | 2.4.6.8 | 28 | 60 | 8 | 24 | 215 | 180 | 250 | 0 | 14.5 | 4 | 4 | 215 | 180 | 245 | 385 |
112M | 2.4.6.8 | 28 | 60 | 8 | 24 | 215 | 180 | 250 | 0 | 14.5 | 4 | 4 | 240 | 190 | 265 | 400 |
132S | 2.4.6.8 | 38 | 80 | 10 | 33 | 265 | 230 | 300 | 0 | 14.5 | 4 | 4 | 275 | 210 | 315 | 470 |
132M | 2.4.6.8 | 38 | 80 | 10 | 33 | 265 | 230 | 300 | 0 | 14.5 | 4 | 4 | 275 | 210 | 315 | 510 |
160M | 2.4.6.8 | 42 | 110 | 12 | 37 | 300 | 250 | 350 | 0 | 18.5 | 5 | 4 | 330 | 255 | 385 | 615 |
160L | 2.4.6.8 | 42 | 110 | 12 | 37 | 300 | 250 | 350 | 0 | 18.5 | 5 | 4 | 330 | 255 | 385 | 670 |
180M | 2.4.6.8 | 48 | 110 | 14 | 42.5 | 300 | 250 | 350 | 0 | 18.5 | 5 | 4 | 380 | 280 | 430 | 700 |
180L | 2.4.6.8 | 48 | 110 | 14 | 42.5 | 300 | 250 | 350 | 0 | 18.5 | 5 | 4 | 380 | 280 | 430 | 740 |
200L | 2.4.6.8 | 55 | 110 | 16 | 49 | 350 | 300 | 400 | 0 | 18.5 | 5 | 4 | 420 | 305 | 480 | 770 |
225S | 4.8 | 60 | 140 | 18 | 53 | 400 | 350 | 450 | 0 | 18.5 | 5 | 8 | 470 | 335 | 535 | 815 |
225M | 2 | 55 | 110 | 16 | 49 | 400 | 350 | 450 | 0 | 18.5 | 5 | 8 | 470 | 335 | 535 | 820 |
225M | 4.6.8 | 60 | 140 | 18 | 53 | 400 | 350 | 450 | 0 | 18.5 | 5 | 8 | 470 | 335 | 535 | 845 |
250M | 2 | 60 | 140 | 18 | 53 | 500 | 450 | 550 | 0 | 18.5 | 5 | 8 | 510 | 370 | 595 | 910 |
250M | 4.6.8 | 65 | 140 | 18 | 58 | 500 | 450 | 550 | 0 | 18.5 | 5 | 8 | 510 | 370 | 595 | 910 |
280S | 2 | 65 | 140 | 18 | 58 | 500 | 450 | 550 | 0 | 18.5 | 5 | 8 | 580 | 410 | 650 | 985 |
280S | 4.6.8 | 75 | 140 | 20 | 67.5 | 500 | 450 | 550 | 0 | 18.5 | 5 | 8 | 580 | 410 | 650 | 985 |
280M | 2 | 65 | 140 | 18 | 58 | 500 | 450 | 550 | 0 | 18.5 | 5 | 8 | 580 | 410 | 650 | 1035 |
280M | 4.6.8 | 75 | 140 | 20 | 67.5 | 500 | 450 | 550 | 0 | 18.5 | 5 | 8 | 580 | 410 | 650 | 1035 |
B35(机座带底脚、端盖有凸缘)
外形及安装尺寸 Dimensions mm
机座号 frame | 极数 poles | 安装尺寸 Mounting Dimension | 外形尺寸 Overall Dimension | |||||||||||||||||||||
A | B | C | D | E | F | G | H | K | M | N | P | R | S | T | AA | AB | AC | AD | BB | HA | HD | L | ||
63M | 2.4 | 100 | 80 | 40 | 11 | 23 | 4 | 8.5 | 63 | 7 | 115 | 95 | 140 | 0 | 4-Φ10 | 3 | 30 | 135 | 130 | 70 | 110 | 8 | 180 | 230 |
71M | 2.4.6 | 112 | 90 | 45 | 14 | 30 | 5 | 11 | 71 | 7 | 130 | 110 | 160 | 0 | 4-Φ10 | 3.5 | 32 | 150 | 145 | 80 | 120 | 8 | 195 | 255 |
80M | 2.4.6.8 | 125 | 100 | 50 | 19 | 40 | 6 | 15.5 | 80 | 10 | 165 | 130 | 200 | 0 | 4-Φ12 | 3.5 | 32 | 165 | 175 | 145 | 130 | 10 | 220 | 295 |
90S | 2.4.6.8 | 140 | 100 | 56 | 24 | 50 | 8 | 20 | 90 | 10 | 165 | 130 | 200 | 0 | 4-Φ12 | 3.5 | 34 | 180 | 195 | 155 | 140 | 12 | 250 | 320 |
90L | 2.4.6.8 | 140 | 125 | 56 | 24 | 50 | 8 | 20 | 90 | 10 | 165 | 130 | 200 | 0 | 4-Φ12 | 3.5 | 34 | 180 | 195 | 155 | 165 | 12 | 250 | 345 |
100L | 2.4.6.8 | 160 | 140 | 63 | 28 | 60 | 8 | 24 | 100 | 12 | 215 | 180 | 250 | 0 | 4-Φ14.5 | 4 | 39 | 205 | 215 | 180 | 186 | 14 | 270 | 385 |
112M | 2.4.6.8 | 190 | 140 | 70 | 28 | 60 | 8 | 24 | 112 | 12 | 215 | 180 | 250 | 0 | 4-Φ14.5 | 4 | 45 | 230 | 240 | 190 | 180 | 13 | 300 | 400 |
132S | 2.4.6.8 | 216 | 140 | 89 | 38 | 80 | 10 | 33 | 132 | 12 | 265 | 230 | 300 | 0 | 4-Φ14.5 | 4 | 55 | 270 | 275 | 210 | 186 | 20 | 345 | 470 |
132M | 2.4.6.8 | 216 | 178 | 89 | 38 | 80 | 10 | 33 | 132 | 12 | 265 | 230 | 300 | 0 | 4-Φ14.5 | 4 | 55 | 270 | 275 | 210 | 224 | 20 | 345 | 510 |
160M | 2.4.6.8 | 254 | 210 | 108 | 42 | 110 | 12 | 37 | 160 | 14.5 | 300 | 250 | 350 | 0 | 4-Φ18.5 | 5 | 65 | 320 | 330 | 255 | 260 | 20 | 420 | 615 |
160L | 2.4.6.8 | 254 | 254 | 108 | 42 | 110 | 12 | 37 | 160 | 14.5 | 300 | 250 | 350 | 0 | 4-Φ18.5 | 5 | 65 | 320 | 330 | 255 | 304 | 20 | 420 | 670 |
180M | 2.4.6.8 | 279 | 241 | 121 | 48 | 110 | 14 | 42.5 | 180 | 14.5 | 300 | 250 | 350 | 0 | 4-Φ18.5 | 5 | 70 | 355 | 380 | 280 | 311 | 22 | 455 | 700 |
180L | 2.4.6.8 | 279 | 279 | 121 | 48 | 110 | 14 | 42.5 | 180 | 14.5 | 300 | 250 | 350 | 0 | 4-Φ18.5 | 5 | 70 | 355 | 380 | 280 | 349 | 22 | 455 | 740 |
200L | 2.4.6.8 | 318 | 305 | 133 | 55 | 110 | 16 | 49 | 200 | 18.5 | 350 | 300 | 400 | 0 | 4-Φ18.5 | 5 | 74 | 395 | 420 | 305 | 379 | 26 | 505 | 770 |
225S | 4.8 | 356 | 286 | 149 | 60 | 140 | 18 | 53 | 225 | 18.5 | 400 | 350 | 450 | 0 | 8-Φ18.5 | 5 | 78 | 435 | 470 | 335 | 368 | 28 | 560 | 815 |
225M | 2 | 356 | 311 | 149 | 55 | 110 | 16 | 49 | 225 | 18.5 | 400 | 350 | 450 | 0 | 8-Φ18.5 | 5 | 78 | 435 | 470 | 335 | 393 | 28 | 560 | 820 |
225M | 4.6.8 | 356 | 311 | 149 | 60 | 140 | 18 | 53 | 225 | 18.5 | 400 | 350 | 450 | 0 | 8-Φ18.5 | 5 | 78 | 435 | 470 | 335 | 393 | 28 | 560 | 845 |
250M | 2 | 406 | 349 | 168 | 60 | 140 | 18 | 53 | 250 | 24 | 500 | 450 | 550 | 0 | 8-Φ18.5 | 5 | 80 | 490 | 510 | 370 | 445 | 30 | 615 | 910 |
250M | 4.6.8 | 406 | 349 | 168 | 65 | 140 | 18 | 58 | 250 | 24 | 500 | 450 | 550 | 0 | 8-Φ18.5 | 5 | 80 | 490 | 510 | 370 | 445 | 30 | 615 | 910 |
280S | 2 | 457 | 368 | 190 | 65 | 140 | 18 | 58 | 280 | 24 | 500 | 450 | 550 | 0 | 8-Φ18.5 | 5 | 90 | 550 | 580 | 410 | 485 | 35 | 680 | 985 |
280S | 4.6.8 | 457 | 368 | 190 | 75 | 140 | 20 | 67.5 | 280 | 24 | 500 | 450 | 550 | 0 | 8-Φ18.5 | 5 | 90 | 550 | 580 | 410 | 485 | 35 | 680 | 985 |
280M | 2 | 457 | 419 | 190 | 65 | 140 | 18 | 58 | 280 | 24 | 500 | 450 | 550 | 0 | 8-Φ18.5 | 5 | 90 | 550 | 580 | 410 | 536 | 35 | 680 | 1035 |
280M | 4.6.8 | 457 | 419 | 190 | 75 | 140 | 20 | 67.5 | 280 | 24 | 500 | 450 | 550 | 0 | 8-Φ18.5 | 5 | 90 | 550 | 580 | 410 | 536 | 35 | 680 | 1035 |
315S | 2 | 508 | 406 | 216 | 65 | 140 | 18 | 58 | 315 | 28 | 600 | 550 | 660 | 0 | 8-Φ24 | 6 | 120 | 635 | 645 | 530 | 570 | 45 | 845 | 1240 |
315S | 4.6.8.10 | 508 | 406 | 216 | 80 | 170 | 22 | 71 | 315 | 28 | 600 | 550 | 660 | 0 | 8-Φ24 | 6 | 120 | 635 | 645 | 530 | 570 | 45 | 845 | 1270 |
315M | 2 | 508 | 457 | 216 | 65 | 140 | 18 | 58 | 315 | 28 | 600 | 550 | 660 | 0 | 8-Φ24 | 6 | 120 | 635 | 645 | 530 | 610 | 45 | 845 | 1350 |
315M | 4.6.8.10 | 508 | 457 | 216 | 80 | 170 | 22 | 71 | 315 | 28 | 600 | 550 | 660 | 0 | 8-Φ24 | 6 | 120 | 635 | 645 | 530 | 610 | 45 | 845 | 1380 |
315L | 2 | 508 | 508 | 216 | 65 | 140 | 18 | 58 | 315 | 28 | 600 | 550 | 660 | 0 | 8-Φ24 | 6 | 120 | 635 | 645 | 530 | 680 | 45 | 845 | 1350 |
315L | 4.6.8.10 | 508 | 508 | 216 | 80 | 170 | 22 | 71 | 315 | 28 | 600 | 550 | 660 | 0 | 8-Φ24 | 6 | 120 | 635 | 645 | 530 | 680 | 45 | 845 | 1380 |
355M | 2 | 610 | 560 | 254 | 75 | 140 | 20 | 67.5 | 355 | 28 | 740 | 680 | 800 | 0 | 8-Φ24 | 6 | 130 | 730 | 710 | 655 | 690 | 52 | 1010 | 1500 |
355M | 4.6.8.10 | 610 | 560 | 254 | 95 | 170 | 25 | 86 | 355 | 28 | 740 | 680 | 800 | 0 | 8-Φ24 | 6 | 130 | 730 | 710 | 655 | 690 | 52 | 1010 | 1530 |
355L | 2 | 610 | 630 | 254 | 75 | 140 | 20 | 67.5 | 355 | 28 | 740 | 680 | 800 | 0 | 8-Φ24 | 6 | 130 | 730 | 710 | 655 | 750 | 52 | 1010 | 1500 |
355L | 4.6.8.10 | 610 | 630 | 254 | 95 | 170 | 25 | 86 | 355 | 28 | 740 | 680 | 800 | 0 | 8-Φ24 | 6 | 130 | 730 | 710 | 655 | 750 | 52 | 1010 | 1530 |
V1(立式安装、机座不带底脚、端盖有凸缘、轴伸向下的电动机)
外形及安装尺寸 Dimensions mm
机座号 frame | 极数 poles | 安 装 尺 寸 Mounting Dimension | 外形尺寸 Overall Dimension | ||||||||||||
D | E | F | G | M | N | P | R | S | T | AC | AD | HF | L | ||
180M | 2.4.6.8 | 48 | 110 | 14 | 42.5 | 300 | 250 | 350 | 0 | 4-Φ18.5 | 5 | 380 | 280 | 500 | 760 |
180L | 2.4.6.8 | 48 | 110 | 14 | 42.5 | 300 | 250 | 350 | 0 | 4-Φ18.5 | 5 | 380 | 280 | 500 | 800 |
200L | 2.4.6.8 | 55 | 110 | 16 | 49 | 350 | 300 | 400 | 0 | 4-Φ18.5 | 5 | 420 | 305 | 550 | 840 |
225S | 4.8 | 60 | 140 | 18 | 53 | 400 | 350 | 450 | 0 | 8-Φ18.5 | 5 | 470 | 335 | 610 | 905 |
225M | 2 | 55 | 110 | 16 | 49 | 400 | 350 | 450 | 0 | 8-Φ18.5 | 5 | 470 | 335 | 610 | 910 |
225M | 4.6.8 | 60 | 140 | 18 | 53 | 400 | 350 | 450 | 0 | 8-Φ18.5 | 5 | 470 | 335 | 610 | 935 |
250M | 2 | 60 | 140 | 18 | 53 | 500 | 450 | 550 | 0 | 8-Φ18.5 | 5 | 510 | 370 | 650 | 1015 |
250M | 4.6.8 | 65 | 140 | 18 | 58 | 500 | 450 | 550 | 0 | 8-Φ18.5 | 5 | 510 | 370 | 650 | 1015 |
280S | 2 | 65 | 140 | 18 | 58 | 500 | 450 | 550 | 0 | 8-Φ18.5 | 5 | 580 | 410 | 720 | 1110 |
280S | 4.6.8 | 75 | 140 | 20 | 67.5 | 500 | 450 | 550 | 0 | 8-Φ18.5 | 5 | 580 | 410 | 720 | 1110 |
280M | 2 | 65 | 140 | 18 | 58 | 500 | 450 | 550 | 0 | 8-Φ18.5 | 5 | 580 | 410 | 720 | 1150 |
280M | 4.6.8 | 75 | 140 | 20 | 67.5 | 500 | 450 | 550 | 0 | 8-Φ18.5 | 5 | 580 | 410 | 720 | 1150 |
315S | 2 | 65 | 140 | 18 | 58 | 600 | 550 | 660 | 0 | 8-Φ24 | 6 | 645 | 530 | 900 | 1360 |
315S | 4.6.8.10 | 80 | 170 | 22 | 71 | 600 | 550 | 660 | 0 | 8-Φ24 | 6 | 645 | 530 | 900 | 1390 |
315M | 2 | 65 | 140 | 18 | 58 | 600 | 550 | 660 | 0 | 8-Φ24 | 6 | 645 | 530 | 900 | 1470 |
315M | 4.6.8.10 | 80 | 170 | 22 | 71 | 600 | 550 | 660 | 0 | 8-Φ24 | 6 | 645 | 530 | 900 | 1510 |
315L | 2 | 65 | 140 | 18 | 58 | 600 | 550 | 660 | 0 | 8-Φ24 | 6 | 645 | 530 | 900 | 1470 |
315L | 4.6.8.10 | 80 | 170 | 22 | 71 | 600 | 550 | 660 | 0 | 8-Φ24 | 6 | 645 | 530 | 900 | 1510 |
355M | 2 | 75 | 140 | 20 | 67.5 | 740 | 680 | 800 | 0 | 8-Φ24 | 6 | 710 | 655 | 1010 | 1640 |
355M | 4.6.8.10 | 95 | 170 | 25 | 86 | 740 | 680 | 800 | 0 | 8-Φ24 | 6 | 710 | 655 | 1010 | 1670 |
355L | 2 | 75 | 140 | 20 | 67.5 | 740 | 680 | 800 | 0 | 8-Φ24 | 6 | 710 | 655 | 1010 | 1640 |
355L | 4.6.8.10 | 95 | 170 | 25 | 86 | 740 | 680 | 800 | 0 | 8-Φ24 | 6 | 710 | 655 | 1010 | 1670 |
l 表中外形尺寸为电机最大外形尺寸,实际情况以实物为准。 Data subject to change without notice
常用的安装结构型式,以及适用的机座号见下表
Conventional mounting type and suitable frame size are given in following table(with “√”)
机座号 frame | 基本安装结构 basic type | 派生的安装形式 derived type | ||||||||||||||||
B3 | B5 | B35 | V1 | V3 | V5 | V6 | B6 | B7 | B8 | V15 | V17 | V35 | V37 | B14 | B34 | V18 | V19 | |
63~112 | √ | √ | √ | √ | √ | √ | √ | √ | √ | √ | √ | √ | √ | √ | √ | √ | √ | √ |
132~160 | √ | √ | √ | √ | √ | √ | √ | √ | √ | √ | √ | √ | √ | √ | - | - | - | - |
180~280 | √ | √ | √ | √ | - | - | - | - | - | - | - | - | - | - | - | - | - | - |
315~355 | √ | - | √ | √ | - | - | - | - | - | - | - | - | - | - | - | - | - | - |
“√”表示可以制造生产的结构型式。






QQ交流群

