日本全新SMC电磁阀VM230-02-30B原装现货技术参数
SMC产品概括:方向控制元件,气缸,摆动气缸/气爪,电动执行器/电缸,真空用元件,气源处理元件,F.R.L组件/压力控制元件,润滑元件,配管接头,速度控制阀,消音器,排气洁净器,压力计,传感器开关,静电对策元件。
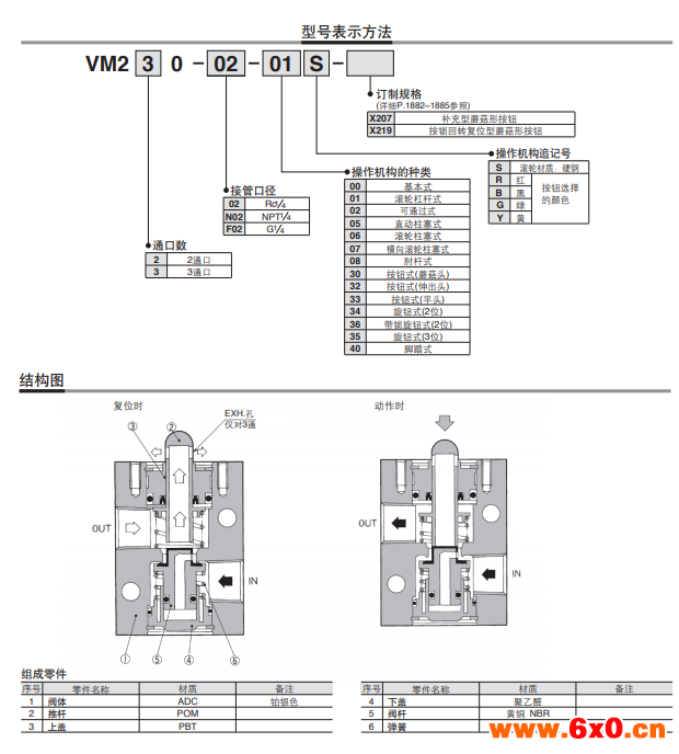
VM200系列的数据如下图:





VM电磁阀是带快换管接头的2、3通机控阀。它的特点:
.内置快换管接头,省空间&减少配管工时
.省空间快换管接头内置,尺寸减小了约35%(减小25.8mm)
.轻量化树脂化主体使重量减小80%(减小48g)
.减少了更换执行器部分时的作业工时
.采用不使用螺钉的卡子方式,更换更容易
.有丰富的扩展品,可对应各种全空气系统。
.体积小,节省空间。
3-4-5通电磁阀共通注意事项:













QQ交流群

