
| 材质 | 断桥铝 |
|---|---|
| 名称 | 供应丝吉利娅SI外开执手五金件 |
北京华润康门窗五金一站式供应商
技术服务热线:010-53029118
国先生
实物图:





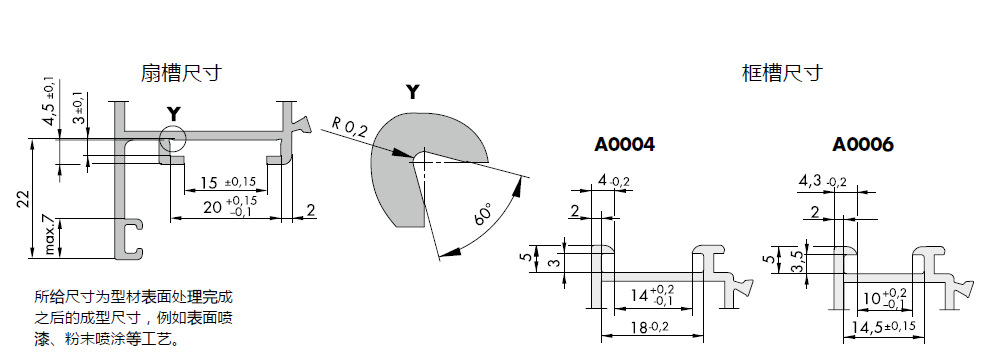
技术参数:




订购热线:010-53029118
15701262280
一手货源,原装**,现货供应。
本网页所展示的有关【其他门窗五金】的信息/图片/参数等由的会员【北京华润康机电设备销售有限公司 】提供,由六叉零B2B会员【北京华润康机电设备销售有限公司 】自行对信息/图片/参数等的真实性、准确性和合法性负责,本平台(本网站)仅提供展示服务,请谨慎交易,因交易而产生的法律关系及法律纠纷由您自行协商解决,本平台(本网站)对此不承担任何责任。您在本网页可以浏览【其他门窗五金】有关的信息/图片/价格等及提供 【其他门窗五金】的商家公司简介、联系方式等信息。
在您的合法权益受到侵害时,请您致电,我们将竭诚为您服务,感谢您对六叉零B2B的关注与支持!